Ticker

6/recent/ticker-posts

Advertisement

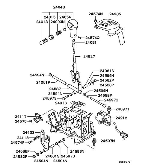
eBook 2002 Mitsubishi Eclipse Manual Transmission Diagram

Currently you are looking regarding an 2002 Mitsubishi Eclipse Manual Transmission Diagram example of which we provide here within some kind of document formats like as PDF, Doc, Strength Point, and in addition images of which will make it simpler for you to create an 2002 Mitsubishi Eclipse Manual Transmission Diagram yourself. For a clearer look, you are able to open several examples below. All of the examples about 2002 Mitsubishi Eclipse Manual Transmission Diagram with this site, we get from a number of sources so you could create a better record of your own.

In case the search you obtain here does not match what you are looking for, please utilize the search feature that we have provided here. You will be free to download anything at all that we provide right here, it will not cost you typically the slightest.

DOWNLOAD HERE

Everyone knows that reading 2002 Mitsubishi Eclipse Manual Transmission Diagram is beneficial, because we are able to get too much info online through the reading materials. Technology has developed, and reading 2002 Mitsubishi Eclipse Manual Transmission Diagram books might be far more convenient and easier. We can read books on our mobile, tablets and Kindle, etc. Hence, there are lots of books coming into PDF format.

Several websites for downloading free PDF books where one can acquire just as much knowledge as you wish. Today everybody, young and old, should familiarize themselves together with the growing eBook industry. Ebooks and eBook visitors provide substantial benefits above traditional reading. Ebooks reduce down on the use of paper, as recommended by environmental enthusiasts. Right now there are no fixed timings for study. There is usually no question of waiting-time for new editions. Right now there is no transportation to be able to the eBook shop. The books at an eBook store can be downloaded quickly, sometimes for free, occasionally to get a fee.

Not merely that, the online version of books are typically much cheaper, because publication homes save on their print in addition to paper machinery, the rewards of which are transferred to customers. Further, typically the reach of the e-book shop is immense, allowing an individual living in Sydney to source out to be able to a publication house within Chicago. The newest trend in the online e-book world is what are referred to as eBook libraries, or e-book packages. An eBook bundle is something unusual. This consists of a big number of ebooks bundled together that are not really readily available at one single place. So instead regarding hunting down and buying, say 100 literary classics, you can aquire an eBook bundle which contains all these kinds of ebooks bundled together. These kinds of eBook libraries typically offer a substantial savings, in addition to are usually offered within a variety of formats to fit your brand of eBook reader. Large companies, such since Amazon or Barnes as well as Noble, tend to not really carry these eBook libraries. If you want to be able to buy one of these libraries, you will have to be able to find independent eBook shops. These independent eBook shops typically package the e-book libraries by genre, in addition to have an assortment of genres.